Product Summary
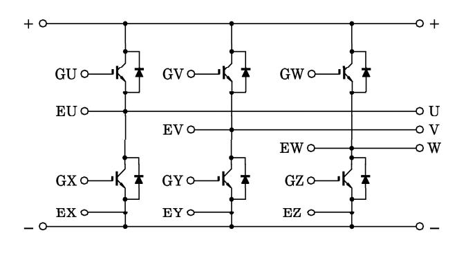
The MG100J6ES50 is an N channel IGBT.
Parametrics
MG100J6ES50 absolute maximum ratings: (1)Collector-emitter voltage: 600 V; (2)Gate-emitter voltage: ±20 V; (3)Collector current: 100 A; (4)Forward current: 100 A; (5)Collector power dissipation (Tc = 25℃): 450 W; (6)Junction temperature: 150 ℃; (7)Storage temperature range: -40 ~ 125 ℃; (8)Isolation voltage: 2500 (AC 1 min.) V; (9)Screw torque (Terminal / mounting): 2/3 N·m.
Features
MG100J6ES50 features: (1)The electrodes are isolated from case; (2)high input impedance; (3)6 IGBTs built into 1 package; (4)enhancement-mode; (5)high speed: tf=0.30μs(max) (IC=100A), trr=0.15μs (max) (IF=100A); (6)low saturation voltage: VCE(sat)=2.70 V(max).
Diagrams

(China (Mainland))






