Product Summary
The MUBW25-06A6 is a converter-brake-inverter module. The applications of it include Input from single or three phase grid, Three phase synchronous or asynchronous motor, electric braking operation.
Parametrics
MUBW25-06A6 absolute maximum ratings: (1)On the condition of TVJ = 25℃ to 150℃, VCES: 1200V; (2)VGES: ±20V; (3)VGEM: ±30V; (4)On the condition of TC = 25℃, IC25: 50A; (5)On the condition of TC = 80℃, IC80: 35A; (6)On the condition of VGE =±15 V; RG = 47Ω; TVJ = 125℃, Clamped inductive load; L = 100μH, RBSOA: ICM = 50A VCEK ≤ VCES; (7)On the condition of VCE = VCES; VGE =±15V; RG = 47Ω; TVJ = 125℃ non-repetitive, tSC(SCSOA): 10μs; (8)On the condition of TC = 25℃, Ptot: 225W.
Features
MUBW25-06A6 features: (1)High level of integration - only one power semiconductor module required for the whole drive; (2)Fast rectifier diodes for enhanced EMC behaviour; (3)NPT IGBT technology with low saturation voltage, low switching losses, high RBSOA and short circuit ruggedness; (4)Epitaxial free wheeling diodes with Hiperfast and soft reverse recovery; (5)Industry standard package with insulated copper base plate and soldering pins for PCB mounting; (6)Temperature sense included.
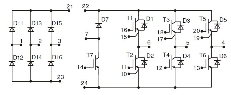
Diagrams

| Image | Part No | Mfg | Description |  | Pricing (USD) | Quantity | ||||
|---|---|---|---|---|---|---|---|---|---|---|
|  |  MUBW25-06A6 |  |  MODULE IGBT CBI E1 |  Data Sheet |  Negotiable |  | ||||
|  |  MUBW25-06A6K |  Ixys |  Discrete Semiconductor Modules 25 Amps 600V |  Data Sheet |  Negotiable |  | ||||
 (China (Mainland))
 (China (Mainland)) 
                         
                        
 
                                    




