Product Summary
The CM100TJ-24FA is a Powerex IGBTMOD Module. It is designed for use in switching applications.
Parametrics
CM100TJA-24FA absolute maximum ratings: (1)Junction Temperature: -40℃ to 150℃; (2)Storage Temperature: -40℃ to 125℃; (3)Collector-Emitter Voltage (G-E SHORT): 1200 Volts; (4)Gate-Emitter Voltage (C-E SHORT): ±20 Volts; (5)Collector Current (Tc=25℃): 100 Amperes; (6)Peak Collector Current (Tj≤150℃): 200Amperes; (7)Emitter Current (Tc=25℃): 100Amperes; (8)Peak Emitter Current: 200Amperes; (9)Maximum Collector Dissipation (Tj<150℃) (Tc=25℃): 390Watts; (10)Mounting Torque, M5 Mounting: 31in-lb; (11)Weight: 300Grams; (12)Isolation Voltage (Main Terminal to Baseplate, AC 1 min.): 2500 Volts.
Features
CM100TJA-24FA features: (1)Low Drive Power; (2)Low VCE(sat); (3)Discrete Super-Fast Recovery Free-Wheel Diode; (4)Isolated Baseplate for Easy Heat Sinking.
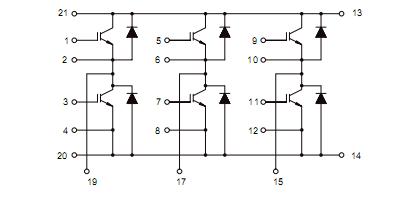
Diagrams

(China (Mainland))






