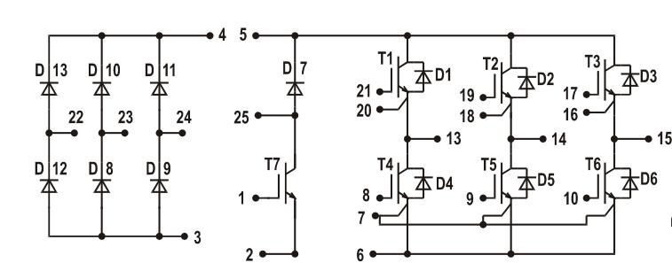
Product Summary
The MUBW15-06A6 is a Converter-Brake-Inverter Module. The applications of the MUBW15-06A6 include AC motor control, AC servo and robot drives.
Parametrics
MUBW15-06A6 absolute maximum ratings: (1)VRRM: 1200 V; (2)IF, TVJ = 25℃: 36 A; (3)IFAVM, TVJ = 150℃; TK = 70℃: 11 A; (4)IFSM, TVJ = 45℃; t = 10 ms sine 50 Hz: 250 A; (5)i2t, TVJ = 125℃: 310 A2s; (6)TVJ: +150℃.
Features
MUBW15-06A6 features: (1)NPT IGBT technology; (2)Square RBSOA, no latchup; (3)Free wheeling diodes with Hiperfast and soft recovery behaviour; (4)Isolation voltage 2500 V~; (5)Built in temperature sense; (6)High level of integration: one module for complete drive system; (7)Direct Copper Bonded Al2O3 ceramic base plate.
Diagrams

| Image | Part No | Mfg | Description |  | Pricing (USD) | Quantity | ||||||
|---|---|---|---|---|---|---|---|---|---|---|---|---|
|  |  MUBW15-06A6 |  |  MODULE IGBT CBI E1 |  Data Sheet |  
 |  | ||||||
|  |  MUBW15-06A6K |  Ixys |  Discrete Semiconductor Modules 15 Amps 600V |  Data Sheet |  Negotiable |  | ||||||
 (China (Mainland))
 (China (Mainland)) 
                         
                        
 
                                    




