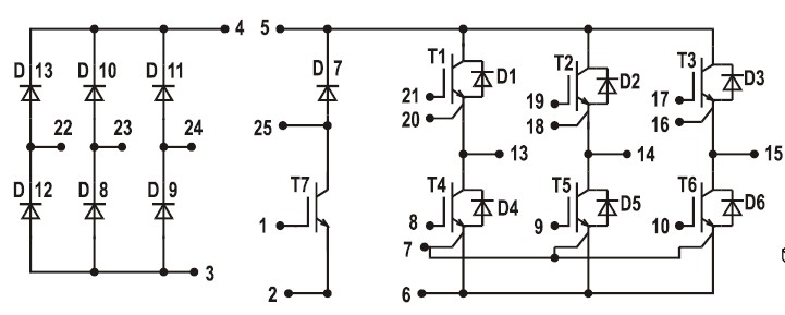
Product Summary
The MUBW35-06A6 is a Converter - Brake - Inverter Module.
Parametrics
MUBW35-06A6 absolute maximum ratings: (1)VRRM: 1200 V; (2)IF TVJ = 25℃: 55 A; (3)IFAVM TVJ = 150℃; TK = 70℃: 25 A; (4)IFSM TVJ = 45℃; t = 10 ms sine 50 Hz: 370 A; (5)i²t TVJ = 125℃: 680 A; (6)TVJ: +150 ℃; (7)tSC IGBT VCE = 600 V; TVJ = 125℃ non-repetitive: 10 μs; (8)Ptot TC = 25℃: 104 W.
Features
MUBW35-06A6 features: (1)NPT IGBT technology Square RBSOA, no latchup; (2)Free wheeling diodes with Hiperfast and soft recovery behaviour; (3)Isolation voltage 2500 V~; (4)Built in temperature sense; (5)High level of integration: one module for complete drive system; (6)Direct Copper Bonded Al2O3 ceramic base plate.
Diagrams

| Image | Part No | Mfg | Description |  | Pricing (USD) | Quantity | ||||||
|---|---|---|---|---|---|---|---|---|---|---|---|---|
|  |  MUBW35-06A6 |  |  MODULE IGBT CBI E1 |  Data Sheet |  
 |  | ||||||
|  |  MUBW35-06A6K |  Ixys |  Discrete Semiconductor Modules 35 Amps 600V |  Data Sheet |  Negotiable |  | ||||||
 (China (Mainland))
 (China (Mainland)) 
                         
                        
 
                                    



