Product Summary
The 7MBR10SA120-50 is an IGBT module(S series). It is widely used as inverter for motor drive, AC and DC servo drive amplifier, uninterruptible power supply.
Parametrics
7MBR10SA120-50 absolute maximum ratings: (1)Collector-Emitter voltage, VCES: 1200V; (2)Gate-Emitter voltage, VGES: ±20V; (3)Collector current, IC: 15A; (4)Collector power dissipation, PC: 75W; (5)Collector-Emitter voltage, VCES: 1200V; (6)Gate-Emitter voltage, VGES: ±20V.
Features
7MBR10SA120-50 features: (1) Low VCE (sat); (2) Compact package; (3) P.C. board mount; (4)Converter diode bridge, Dynamic brake circuit.
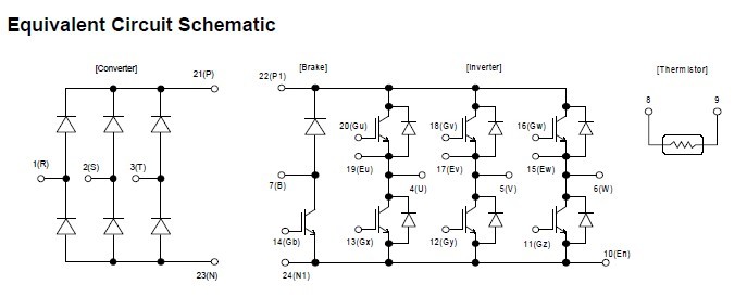
Diagrams

(China (Mainland))






