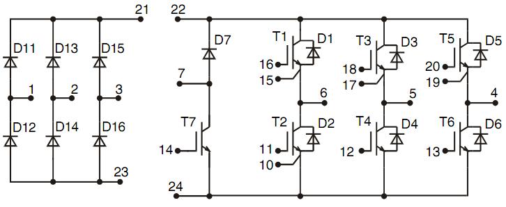
Product Summary
The MUBW35-12A8 is a Converter-Brake-Inverter Module. The applications of the MUBW35-12A8 include Input from single or three phase grid, Three phase synchronous or asynchronous motor, electric braking operation.
Parametrics
MUBW35-12A8 absolute maximum ratings: (1)VRRM: 1600 V; (2)IFAV TC = 80℃; sine 180°: 30 A; (3)IDAVM TC = 80℃; rectangular; d = 1/3; bridge: 80 A; (4)IFSM TVJ = 25℃; t = 10 ms; sine 50 Hz: 300 A; (5)Ptot; (6)TC = 25℃: 100 W.
Features
MUBW35-12A8 features: (1)High level of integration - only one power semiconductor module required for the whole drive; (2)NPT IGBT technology with low saturation voltage, low switching; (3)losses, high RBSOA and short circuit ruggedness; (4)Epitaxial free wheeling diodes with Hiperfast and soft reverse recovery; (5)Industry standard package with insulated copper base plate and soldering pins for PCB mounting; (6)Temperature sense included.
Diagrams

| Image | Part No | Mfg | Description |  | Pricing (USD) | Quantity | ||||||
|---|---|---|---|---|---|---|---|---|---|---|---|---|
|  |  MUBW35-12A8 |  Ixys |  Discrete Semiconductor Modules 35 Amps 1200V |  Data Sheet |  Negotiable |  | ||||||
| Image | Part No | Mfg | Description |  | Pricing (USD) | Quantity | ||||||
|  |  MUBW100-06A8 |  Ixys |  Discrete Semiconductor Modules 100 Amps 600V |  Data Sheet |  Negotiable |  | ||||||
|  |  MUBW10-06A6 |  |  MODULE IGBT CBI E1 |  Data Sheet |  
 |  | ||||||
|  |  MUBW10-06A6K |  Ixys |  Discrete Semiconductor Modules NPT IGBT 600V, 10A |  Data Sheet |  Negotiable |  | ||||||
|  |  MUBW10-06A7 |  Ixys |  Discrete Semiconductor Modules 10 Amps 600V |  Data Sheet |  Negotiable |  | ||||||
|  |  MUBW10-12 |  Other |  |  Data Sheet |  Negotiable |  | ||||||
|  |  MUBW10-12A6 |  Other |  |  Data Sheet |  Negotiable |  | ||||||
 (China (Mainland))
 (China (Mainland)) 
                         
                        
 
                                    




