Product Summary
The lh1520 is a SPST normally open switch that can replace electromechanical relays in many applications. The lh1520 is constructed using a GaAIAs LED for actuation control and an integrated monolithic die for the switch output. The die, fabricated in a high-voltage dielectrically isolated technology is comprised of a photodiode array, switch control circuitry, and MOSFET switches. In addition, the lh1520 SSRs employ current limiting circuitry, enabling them to pass FCC 68.302 and other regulatory surge requirements when overvoltage protection is provided. The applications of the lh1520 are General telecom switching, Instrumentation and Industrial controls.
Parametrics
lh1520 absolute maximum ratings: (1)LED continuous forward current, IF: 50 mA; (2)LED reverse voltage, VR: 8.0 V; (3)DC or peak AC load voltage, VL: 350 V; (4)Continuous DC load current, one pole operating, IL: 150 mA; (5)Continuous DC load current, two poles operating, IL: 110 mA; (6)Ambient temperature range, Tamb: - 40 to + 85℃; (7)Storage temperature range, Tstg: - 40 to + 150℃; (8)Pin soldering temperature, Tsld: 260℃.
Features
lh1520 features: (1)Dual channel (LH1500); (2)Current limit protection; (3)Isolation test voltage 5300 VRMS; (4)Typical RON 20 Ω; (5)Load voltage 350 V; (6)Load current 150 mA; (7)High surge capability; (8)Clean bounce free switching; (9)Low power consumption; (10)Lead (Pb)-free component; (11)Component in accordance to RoHS 2002/95/EC and WEEE 2002/96/EC.
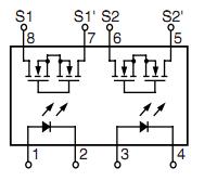
Diagrams

| Image | Part No | Mfg | Description | ![]() |
Pricing (USD) |
Quantity | ||||||||||||
|---|---|---|---|---|---|---|---|---|---|---|---|---|---|---|---|---|---|---|
![]() |
![]() LH1520AAC |
![]() Vishay Semiconductors |
![]() Solid State Relays Normally Open Dual Form 1A |
![]() Data Sheet |
![]()
|
|
||||||||||||
![]() |
![]() LH1520AACTR |
![]() Vishay Semiconductors |
![]() Solid State Relays Normally Open Form 1A 250V |
![]() Data Sheet |
![]()
|
|
||||||||||||
![]() |
![]() LH1520AB |
![]() Vishay Semiconductors |
![]() Solid State Relays Normally Open Dual Form 1A |
![]() Data Sheet |
![]()
|
|
||||||||||||
(China (Mainland))









