Product Summary
The WLCA2-2 is a robust general-purpose limit switch.
Parametrics
WLCA2-2 absolute maximum ratings: (1)Operating speed: 1 mm/s to 2 m/s (with WLCA2); (2)Insulation resistance: 100 MΩ min. (at 500 VDC); (3)Contact resistance: 25 mΩ (initial); (4)Rated impulse withstand voltage: 4 kV; (5)Rated insulation voltage: 300 VAC (EN60947-5-1); (6)Thermal current: 10 A (0.5 A for micro load type) (EN60947-5-1); (7)Short-circuit protective device: 10 A fuse (type gG, IEC269 approved, EN60947-5-1); (8)MAmbient temperature: -10°C to 80°C (14°F to 176°F) with no icing; (9)Ambient humidity: 95% max.
Features
WLCA2-2 features: (1)Rugged diecast housing; (2)High mechanical strength; (3)Oiltight, waterproof, dustproof construction; (4)Overtravel and high-precision types available; (5)Choose switches with neon lamp or LED status indicator.
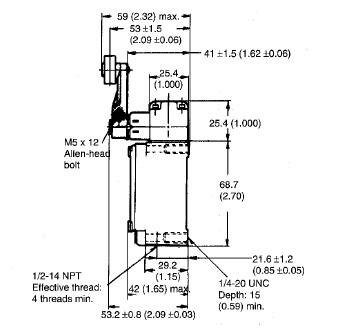
Diagrams

| Image | Part No | Mfg | Description | ![]() |
Pricing (USD) |
Quantity | ||||||||||||
|---|---|---|---|---|---|---|---|---|---|---|---|---|---|---|---|---|---|---|
![]() |
![]() WLCA2-2 |
![]() Omron Industrial |
![]() Basic / Snap Action / Limit Switches Switch Limit Roll With Ovtrl |
![]() Data Sheet |
![]()
|
|
||||||||||||
![]() |
![]() WLCA2-2139 5M |
![]() Omron Industrial |
![]() Basic / Snap Action / Limit Switches Limit Switch |
![]() Data Sheet |
![]()
|
|
||||||||||||
![]() |
![]() WLCA2-255 |
![]() Omron Industrial |
![]() Basic / Snap Action / Limit Switches Limit Switch |
![]() Data Sheet |
![]()
|
|
||||||||||||
![]() |
![]() WLCA2-2-139-1M |
![]() Omron Industrial |
![]() Basic / Snap Action / Limit Switches LIMIT SWITCH |
![]() Data Sheet |
![]()
|
|
||||||||||||
![]() |
![]() WLCA2-26N |
![]() Omron Industrial |
![]() Basic / Snap Action / Limit Switches LIMIT SWITCH |
![]() Data Sheet |
![]()
|
|
||||||||||||
![]() |
![]() WLCA2-255LD |
![]() |
![]() LIMIT SW ROLLER LEVER |
![]() Data Sheet |
![]()
|
|
||||||||||||
![]() |
![]() WLCA2-2N-LD |
![]() Omron Industrial |
![]() Basic / Snap Action / Limit Switches LS W/LED RPLMT LD1 2 3 4 |
![]() Data Sheet |
![]()
|
|
||||||||||||
![]() |
![]() WLCA2-2LE |
![]() Omron Industrial |
![]() Basic / Snap Action / Limit Switches LSR.LVR R38 0.TW/LMP |
![]() Data Sheet |
![]()
|
|
||||||||||||
(China (Mainland))










