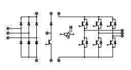
Product Summary
The SKIIP32AC12T43 is a 3 phase bridge rectifier.
Parametrics
SKIIP32AC12T43 absolute maximum ratings: (1)VCES: 1200V; (2)VGES: ±20V; (3)IC: 45A; (4)ICM: 90A; (5)IF=-IC: 38A; (6)Tj: -40 to 150℃; (7)Tstg: -40 to 125℃; (8)Visol: 2500V.
Features
SKIIP32AC12T43 features: (1)available with powerful chopper; (2)for characteristics please refer to inverter IGBT.
Diagrams

(China (Mainland))






