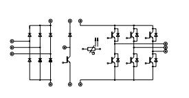
Product Summary
The SKIIP31NAB12T16 is a 3-phase bridge rectifier+braking chopper+3-phase bridge inverter.
Parametrics
SKIIP31NAB12T16 absolute maximum ratings: (1)Vces: 1200V; (2)Vges: ±20V; (3)IC: 45/30A; (4)ICM: 90/60A; (5)IF=-IC: 38/26A; (6)IFM=-ICM: 76/52A; (7)VRRM: 1500V; (8)ID: 35A; (9)IFSM: 700A; (10)I2T: 2400A2s; (11)Tj: -40 to 150℃; (12)Tstg: -40 to 125℃; (13)Viso: 2500V.
Features
SKIIP31NAB12T16 features: (1)Case M3; (2)UL recognized file no.E63532.
Diagrams

(China (Mainland))






