Product Summary
The MUBW10-06A6 is a Converter - Brake - Inverter Module. The applications of the MUBW10-06A6 include AC motor control, AC servo and robot drives.
Parametrics
MUBW10-06A6 absolute maximum ratings: (1)VRRM: 1200 V; (2)IF TVJ = 25℃: 36 A; (3)IFAVM TVJ = 150℃; TK = 70℃: 11 A; (4)IFSM TVJ = 45℃; t = 10 ms sine 50 Hz: 250 A; (5)i2t TVJ = 125℃: 310 A2s; (6)TVJ: +150℃.
Features
MUBW10-06A6 features: (1)NPT IGBT technology Square RBSOA, no latchup; (2)Free wheeling diodes with Hiperfast and soft recovery behaviour; (3)Isolation voltage 2500 V~; (4)Built in temperature sense; (5)High level of integration: one module for complete drive system; (6)Direct Copper Bonded Al2O3 ceramic base plate.
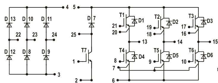
Diagrams

| Image | Part No | Mfg | Description |  | Pricing (USD) | Quantity | ||||||
|---|---|---|---|---|---|---|---|---|---|---|---|---|
|  |  MUBW10-06A6 |  |  MODULE IGBT CBI E1 |  Data Sheet |  
 |  | ||||||
|  |  MUBW10-06A6K |  Ixys |  Discrete Semiconductor Modules NPT IGBT 600V, 10A |  Data Sheet |  Negotiable |  | ||||||
 (China (Mainland))
 (China (Mainland)) 
                         
                        
 
                                    




