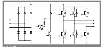
Product Summary
The SKIIP22NAB12T18 is a 3-phase bridge inverter. Typical Applications of the SKIIP22NAB12T18 are inverter up to 10 kVA . typical motor power 5,5 kW.
Parametrics
SKIIP22NAB12IT10 absolute maximum ratings: (1)VCES: 1200 V; (2)Ic Ts = 25 (70) ℃: 28 (22) A; (3)ICRM Ts = 25 (70) ℃, tp < 1 ms: 56 (44) A; (4)VGES: ±20 V; (5)Ti: -40 to + 150 ℃.
Features
SKIIP22NAB12IT10 features: (1)Fast Trench IGBTs; (2)Robust and soft freewheeling diodes in CAL technology; (3)Highly reliable spring contacts for electrical connections; (4)UL recognised file no. E63532.
Diagrams

(China (Mainland))






