Product Summary
The SK10DGDL126ET is a 3-phase bridge rectifier+brake chopper+3-phase bridge inverter. The application of the SK10DGDL126ET includes inverter.
Parametrics
SK10DGDL126ET absolute maximum ratings: (1)VCES: 1200V; (2)IC: 15A; (3)ICRM: 16A; (4)VGES: ±20V; (5)TJ: -40 to 150℃; (6)IF: 25A; (7)IFRM: 50A; (8)TSTG: -40 to 125℃.
Features
SK10DGDL126ET features: (1)Compact design; (2)One screw mounting; (3)Heat transfer and isolation through direct copper bonded alumium oxide ceramic (DCB); (4)Trench technology IGBT; (5)CAL high density FWD; (6)Integrated NTC temperature sensor.
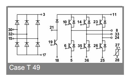
Diagrams

(China (Mainland))






