Product Summary
The MWI35-12A7 is an IGBT Module. The applications of the MWI35-12A7 include AC motor control, AC servo and robot drives, power supplies.
Parametrics
MWI35-12A7 absolute maximum ratings: (1)VCES, TVJ = 25℃ to 150℃: 1200 V; (2)VGES: ±20 V; (3)IC25, TC = 25℃: 62 A; (4)IC80, TC = 80℃: 44 A; (5)RBSOA, VGE = ±15 V; RG = 39Ω; TVJ = 125℃, ICM = 70 A, Clamped inductive load; L = 100 μH, VCEK < VCES; (6)tSC(SCSOA), VCE = VCES; VGE = 15 V; RG = 39Ω; TVJ = 125℃non-repetitive: 10 μs; (7)Ptot, TC = 25℃: 280 W.
Features
MWI35-12A7 features: (1)NPT IGBT technology; (2)low saturation voltage; (3)low switching losses; (4)switching frequency up to 30 kHz; (5)square RBSOA, no latch up; (6)high short circuit capability; (7)positive temperature coefficient for easy parallelling; (8)MOS input, voltage controlled; (9)ultra fast free wheeling diodes; (10)solderable pins for PCB mounting; (11)package with copper base plate.
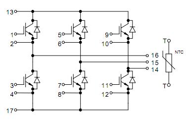
Diagrams

| Image | Part No | Mfg | Description |  | Pricing (USD) | Quantity | ||||
|---|---|---|---|---|---|---|---|---|---|---|
|  |  MWI35-12A7 |  Ixys |  Discrete Semiconductor Modules 35 Amps 1200V |  Data Sheet |  Negotiable |  | ||||
|  |  MWI35-12A7T |  Ixys |  IGBT Modules 35 Amps 1200V |  Data Sheet |  Negotiable |  | ||||
 (China (Mainland))
 (China (Mainland)) 
                         
                        
 
                                    



