Product Summary
The QM150E3Y-H is a Mitsubishi transistor module.
Parametrics
QM150E3Y-H absolute maximum ratings: (1)Collector-emitter voltage: 600 V; (2)Collector-emitter voltage: 600 V; (3)Collector-base voltage: 600 V; (4)Emitter-base voltage: 7V; (5)Collector current: 150A; (6)Collector reverse current: 150A; (7)Collector dissipation: 690W; (8)Base current: 9A; (9)Surge collector reverse current: 1500A; (10)Junction temperature: -40 to +150 ℃; (11)Storage temperature: -40 to +125 ℃; (12)Isolation voltage: 2500V.
Features
QM150E3Y-H features: (1)IC Collector current: 150A; (2)VCEX Collector-emitter voltage: 600V; (3)hFE DC current gain: 750; (4)Insulated Type; (5)UL Recognized.
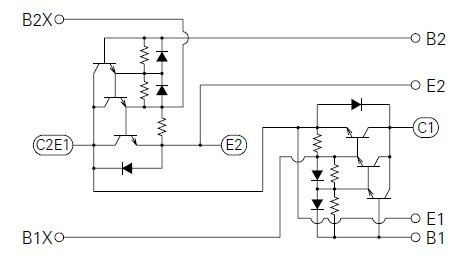
Diagrams

(China (Mainland))






