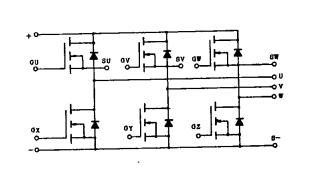
Product Summary
The MG15G6EL1 is an IGBT Module.
Parametrics
MG15G6EL1 absolute maximum ratings: (1)drain-source voltage: 450V; (2)gate-source voltage: ±20V; (3)drain current: ±15A or ±30A; (4)drain power dissipation: 125W; (5)channel temperature: 150℃; (6)storage temperature range: -40 to 125℃; (7)isolation voltage: 2500V.
Features
MG15G6EL1 features: (1)gate leakage current:±100nA; (2)drain cut-off current:1.0mA; (3)drain-source breakdown voltage:450V; (4)gate threshold voltage:1.5V to 3.5V; (5)forward transfer admittance:4.0S to 7.0S; (6)drain-source ON resistance:0.4Ω; (7)source drain forward voltage: 1.8V.
Diagrams

(China (Mainland))






