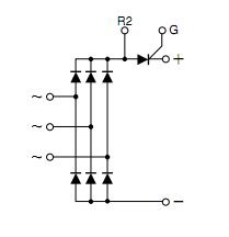
Product Summary
The DFA150AA80 is a three phase diode and thyristor. The DFA150AA80 is a complex isolated module which is designed for rash current circuit. It contains six diodes connected in a three phase bridge configuration, and a thyristor connected to a direct current line. The applications of the DFA150AA80 include Inverter for AC or DC motor control, Current stabilized power supply, Switching power supply.
Parametrics
DFA150AA80 absolute maximum ratings: (1)Repetitive Peak Reverse Voltage, VRRM: 800V; (2)Non-Repetitive Peak Reverse Voltage, VRSM: 960V; (3)Output Current (D.C.), ID: 150A; (4)Surge forward current, IFSM: 1460/1600 A; (5)Operating Junction Temperature, Tj: -40 to +150℃; (6)Storage Temperature, Tstg: -40 to 125℃; (7)Isolation Breakdown Voltage (R.M.S.), A.C. 1minute, VISO: 2500V.
Features
DFA150AA80 features: (1)This Module is designed very compactly. Because diode module and thyristor put together; (2)This Module is also isolated type between electorode terminal and mounting base. So you can put this Module and other one together in a same fin.
Diagrams

| Image | Part No | Mfg | Description | ![]() |
Pricing (USD) |
Quantity | ||||
|---|---|---|---|---|---|---|---|---|---|---|
![]() |
![]() DFA150AA80 |
![]() Other |
![]() |
![]() Data Sheet |
![]() Negotiable |
|
||||
| Image | Part No | Mfg | Description | ![]() |
Pricing (USD) |
Quantity | ||||
![]() |
![]() DFA100BA160 |
![]() Other |
![]() |
![]() Data Sheet |
![]() Negotiable |
|
||||
![]() |
![]() DFA100BA80 |
![]() Other |
![]() |
![]() Data Sheet |
![]() Negotiable |
|
||||
![]() |
![]() DFA150AA160 |
![]() Other |
![]() |
![]() Data Sheet |
![]() Negotiable |
|
||||
![]() |
![]() DFA150AA80 |
![]() Other |
![]() |
![]() Data Sheet |
![]() Negotiable |
|
||||
(China (Mainland))









