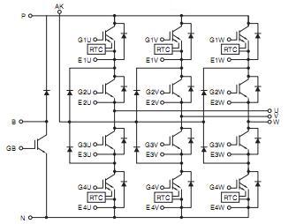
Product Summary
The CM75YE13-12H is an IGBT module. It has been designed for three level (neutral point clamped) topologies in applications requiring high efficiency operation and improved output waveform quality. The CM75YE13-12H also provides significant benefits in applications where low output noise using small filter components is required or where long motor leads create Standing Wave Ratio (SWR) voltage surge issues. The applications of the CM75YE13-12H are Three Level Inverter Topologies, Solar Power Inverters, High Efficiency UPS, Long Motor Lead Applications.
Parametrics
CM75YE13-12H absolute maximum ratings: (1)Junction Temperature: -40 to 150℃; (2)Storage Temperature: -40 to 125℃; (3)Mounting Torque, Main Terminals, M5 Screw (Max.): 30in-lb; (4)Mounting Torque, Mounting Holes, M5 Screw (Max.): 30in-lb; (5)Weight (Typical): 800Grams; (6)Isolation Voltage (Main Terminal to Baseplate, AC 1 min.): 2500Vrms.
Features
CM75YE13-12H features: (1)Smaller Output Voltage Steps Reducing Surge Voltage; (2)Low Output Ripple Current; (3)Lower Modulation Frequency With Same Quality Output Waveform.
Diagrams

(China (Mainland))






