Product Summary
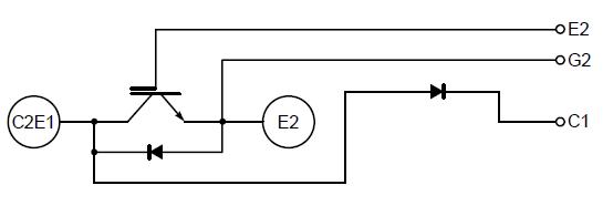
The CM75E3Y-24F is a Mitsubishi IGBT Module designed for use in switching applications. It consists of one IGBT having a reverse-connected super-fast recovery free-wheel diode and an anode-collector connected super-fast recovery freewheel diode. All components and interconnects of the CM75E3Y-24F are isolated from the heat sinking baseplate, offering simplified system assembly and thermal management.
Parametrics
CM75E3Y-24F absolute maximum ratings: (1)Junction Temperature: -40 to 150 ℃; (2)Storage Temperature: -40 to 125 ℃; (3)Collector-Emitter Voltage (G-E SHORT): 600 Volts; (4)Gate-Emitter Voltage (C-E SHORT): ±20 Volts; (5)Collector Current (Tc = 25℃): 75 Amperes; (6)Peak Collector Current: 150 Amperes; (7)Emitter Current (Tc = 25℃): 75 Amperes; (8)Peak Emitter Current: 150 Amperes; (9)Maximum Collector Dissipation (Tc = 25℃, Tj ≤ 150℃): 310 Watts; (10)Mounting Torque, M5 Main Terminal: 2.5~3.5 N·m; (11)Mounting Torque, M6 Mounting: 3.5~4.5 N·m; (12)Weight: 310 Grams.
Features
CM75E3Y-24F features: (1)Low Drive Power; (2)Low VCE(sat); (3)Discrete Super-Fast Recovery Free-Wheel Diode; (4)High Frequency Operation; (5)Isolated Baseplate for Easy Heat Sinking.
Diagrams

(China (Mainland))






