Product Summary
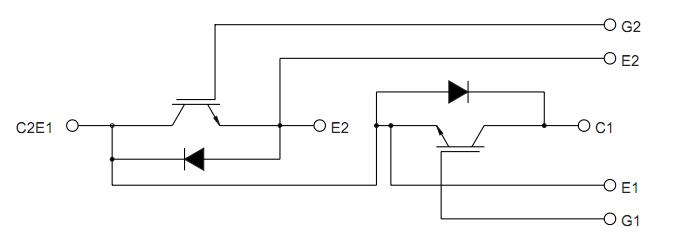
The CM50DY-28H is a Mitsubishi IGBT Module designed for use in switching applications. Each module consists of two IGBTs in a half-bridge configuration with each transistor having a reverse-connected super-fast recovery free-wheel diode. All components and interconnects of the CM50DY-28H are isolated from the heat sinking baseplate, offering simplified system assembly and thermal management. The applications of the CM50DY-28H include AC Motor Control, Motion/Servo Control, UPS, Welding Power Supplies.
Parametrics
CM50DY-28H absolute maximum ratings: (1)Junction Temperature, Tj: -40 to 150 ℃; (2)Storage Temperature, Tstg: -40 to 125 ℃; (3)Collector-Emitter Voltage (G-E SHORT), VCES: 1400 Volts; (4)Gate-Emitter Voltage (C-E SHORT), VGES: ±20 Volts; (5)Collector Current (Tc = 25℃), IC: 50 Amperes; (6)Peak Collector Current (Tj ≤ 150℃), ICM: 100 Amperes; (7)Emitter Current (Tc = 25℃), IE: 50 Amperes; (8)Peak Emitter Current, IEM: 100Amperes; (9)Maximum Collector Dissipation (Tc = 25℃), Pc: 400 Watts; (10)Mounting Torque, M5 Main Terminal: 1.47 to 1.96 N · m; (11)Mounting Torque, M6 Mounting: 1.96 to 2.94 N · m; (12)Weight: 190 Grams; (13)Isolation Voltage (Main Terminal to Baseplate, AC 1 min.), Viso: 2500 Vrms.
Features
CM50DY-28H features: (1)Low Drive Power; (2)Low VCE(sat); (3)Discrete Super-Fast Recovery Free-Wheel Diode; (4)High Frequency Operation; (5)Isolated Baseplate for Easy Heat Sinking.
Diagrams

| Image | Part No | Mfg | Description | ![]() |
Pricing (USD) |
Quantity | ||||
|---|---|---|---|---|---|---|---|---|---|---|
![]() |
![]() CM50DY-28H |
![]() |
![]() IGBT MOD DUAL 1400V 50A H SER |
![]() Data Sheet |
![]() Negotiable |
|
||||
| Image | Part No | Mfg | Description | ![]() |
Pricing (USD) |
Quantity | ||||
![]() |
![]() CM500 |
![]() Megger |
![]() Test Accessories - Other Installation Tester |
![]() Data Sheet |
![]() Negotiable |
|
||||
![]() |
![]() CM5000 |
![]() Other |
![]() |
![]() Data Sheet |
![]() Negotiable |
|
||||
![]() |
![]() CM5001 |
![]() Other |
![]() |
![]() Data Sheet |
![]() Negotiable |
|
||||
![]() |
![]() CM50010 |
![]() Other |
![]() |
![]() Data Sheet |
![]() Negotiable |
|
||||
![]() |
![]() CM5002 |
![]() Other |
![]() |
![]() Data Sheet |
![]() Negotiable |
|
||||
![]() |
![]() CM5003 |
![]() Other |
![]() |
![]() Data Sheet |
![]() Negotiable |
|
||||
(China (Mainland))









