Product Summary
The CM400DX1-12A is an IGBT module. The applications of the CM400DX1-12A include General purpose Inverters, Servo Amplifiers, Power supply, etc.
Parametrics
CM400DX1-12A absolute maximum ratings: (1)Collector-emitter voltage, G-E Short, VCES: 600V; (2)Gate-emitter voltage, C-E Short, VGES: ±20V; (3)Collector current: DC, TC=60℃, IC: 400A; Pulse, ICM: 800A; (4)Emitter current: IE: 400A; Pulse, IEM: 800A; (5)Maximum collector dissipation, TC = 25℃, PC: 1340W; (6)Junction temperature, Tj: -40 to +150℃; (7)Storage temperature, Tstg: -40 to +125℃; (8)Isolation voltage, Main Terminal to base plate, AC 1 min., Viso: 2500V; (9)Torque strength: Main Terminal M5: 2.5 to 3.5N ·m; Mounting holes M6: 3.5 to 4.5N ·m; (10)Weight, Typical value: 330g.
Features
CM400DX1-12A features: (1)IC: 400A; (2)VCES: 600V; (3)Dual; (4)Flatbase Type / Insulated Package / Copper (non-plating) base plate; (5)RoHS Directive compliant.
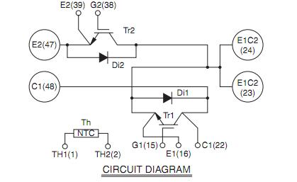
Diagrams

(China (Mainland))






