Product Summary
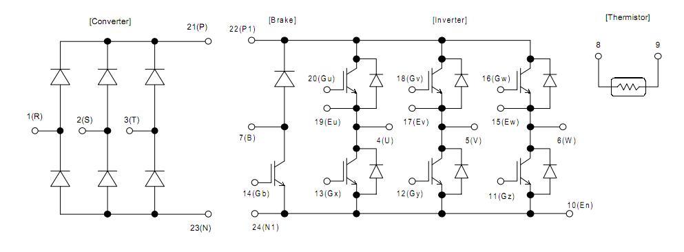
The 7MBR100SA-120B is an IGBT module. The applications of the 7MBR100SA-120B include Inverter for motor drive, AC and DC servo drive amplifier, Uninterruptible power supply.
Parametrics
7MBR100SA-120B absolute maximum ratings: (1)Inverter, Collector-Emitter voltage, VCES: 600V; (2)Inverter, Gate-Emitter voltage, VGES: ±20V; (3)Inverter, Collector current, IC: 100A; ICP: 200A; -IC: 100A; (4)Inverter, Collector power dissipation, PC: 400W; (5)Brake, Collector-Emitter voltage, VCES: 600V; (6)Brake, Gate-Emitter voltage, VGES: ±20V; (7)Brake, Collector current, IC: 50A; ICP: 100A; (8)Brake, Collector power dissipation, PC: 200W; (9)Brake, Repetitive peak reverse voltage, VRRM: 600V.
Features
7MBR100SA-120B features: (1)Low VCE(sat); (2)Compact package; (3)P.C. board mount; (4)Converter diode bridge, Dynamic brake circuit.
Diagrams

(China (Mainland))






