Product Summary
The 1DI400A-120 is a power transistor module. The applications of the 1DI400A-120 are: High power switching; AC motor controls; DC motor controls; Uninterrupible power supply.
Parametrics
1DI400A-120 absolute maximum ratings: (1)VCBO: 1200V; (2)VCEO: 1200V; (3)VEBO: 10V; (4)IC: 400A; (5)ICP: 800A; (6)DC IB: 32A; (7)PC: 3120W; (8)Tj: +150℃; (9)Tstg: -40 to +125℃; (10)Viso: 2500V.
Features
1DI400A-120 features: (1)High voltage; (2)Including free wheeling diode; (3)Excellent safe operating area; (4)Insulated type.
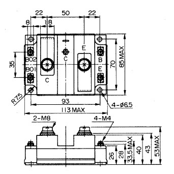
Diagrams

(China (Mainland))






