Product Summary
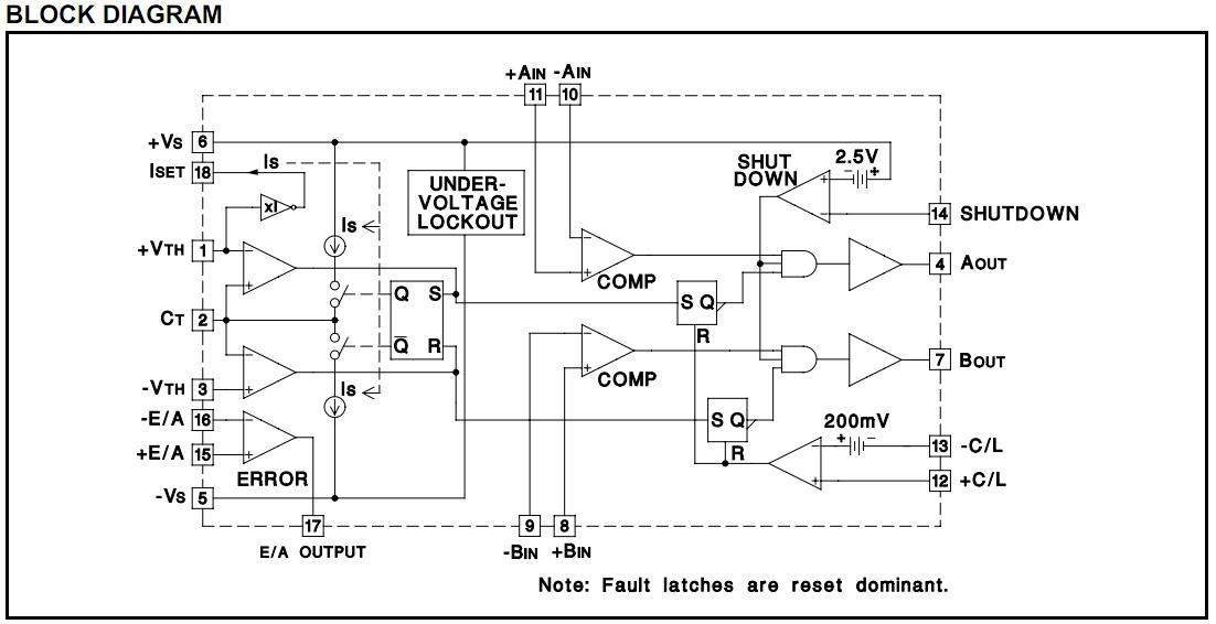
The UC3637DW is a pulse width modulator circuit intended to be used for a variety of PWM motor drive and amplifier applications requiring either uni-directional or bi-directional drive circuits. When used to replace conventional drivers, this circuit UC3637DW can increase efficiency and reduce component costs for many applications. All necessary circuitry is included to generate an analog error signal and modulate two bi-directional pulse train outputs in proportion to the error signal magnitude and polarity.
Parametrics
UC3637DW absolute maximum ratings: (1)Supply Voltage (±Vs): ±20V; (2)Output Current, Source/Sink (Pins 4, 7): 500mA; (3)Analog Inputs (Pins 1, 2, 3, 8, 9, 10, 11 12, 13, 14, 15, 16): ±Vs; (4)Error Amplifier Output Current (Pin 17): ±20mA; (5)Oscillator Charging Current (Pin 18): -2mA; (6)Power Dissipation at TA = 25℃: 1000mW; (7)Power Dissipation at TC = 25℃: 2000mW; (8)Storage Temperature Range: -65 to +150℃; (9)Lead Temperature (Soldering, 10 Seconds): +300℃.
Features
UC3637DW features: (1)Single or Dual Supply Operation; (2)±2.5V to ±20V Input Supply Range; (3)±5% Initial Oscillator Accuracy; ± 10% Over Temperature; (4)Pulse-by-Pulse Current Limiting; (5)Under-Voltage Lockout; (6)Shutdown Input with Temperature Compensated 2.5V Threshold; (7)Uncommitted PWM Comparators for Design Flexibility; (8)Dual 100mA, Source/Sink Output Drivers.
Diagrams

| Image | Part No | Mfg | Description | ![]() |
Pricing (USD) |
Quantity | ||||||||||||
|---|---|---|---|---|---|---|---|---|---|---|---|---|---|---|---|---|---|---|
![]() |
![]() UC3637DW |
![]() Texas Instruments |
![]() Motor / Motion / Ignition Controllers & Drivers Switched Mode Controller |
![]() Data Sheet |
![]()
|
|
||||||||||||
![]() |
![]() UC3637DWG4 |
![]() Texas Instruments |
![]() Motor / Motion / Ignition Controllers & Drivers Switched Mode Controller |
![]() Data Sheet |
![]()
|
|
||||||||||||
![]() |
![]() UC3637DWTRG4 |
![]() Texas Instruments |
![]() Motor / Motion / Ignition Controllers & Drivers Switched Mode Controller |
![]() Data Sheet |
![]()
|
|
||||||||||||
![]() |
![]() UC3637DWTR |
![]() Texas Instruments |
![]() Motor / Motion / Ignition Controllers & Drivers Switched Mode Controller |
![]() Data Sheet |
![]()
|
|
||||||||||||
(China (Mainland))









