Product Summary
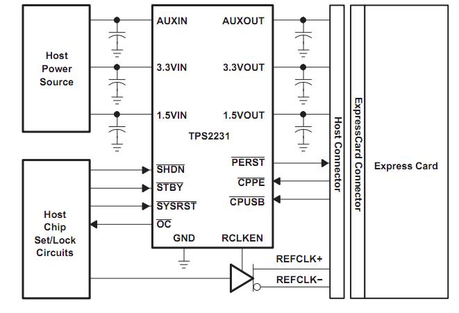
The TPS2231 is an ExpressCard power interface switch. It provides the total power management solution required by the ExpressCard specification. The TPS2231 ExpressCard power interface switch distributes 3.3 V, AUX, and 1.5 V to the ExpressCard socket. Each voltage rail is protected with integrated current-limiting circuitry. The applications of the TPS2231 are Notebook Computers, Desktop Computers, Personal Digital Assistants (PDAs), Digital Cameras and TV and Set Top Boxes.
Parametrics
TPS2231 absolute maximum ratings: (1)VI, Input voltage range for card power: – 0.3 to 6 V; (2)Logic input/output voltage: – 0.3 to 6 V; (3)VO, Output voltage rang: – 0.3 to 6 V; (4)IO, Output current: 10 mA; (5)PERST sink/source current: 10 mA; (6)TJ, Operating virtual junction temperature range: – 40 to 120℃; (7)Tstg, Storage temperature range: – 55 to 150℃; (8)Lead temperature 1,6 mm (1/16 inch) from case for 10 seconds: 260℃.
Features
TPS2231 features: (1)Meets the ExpressCard Standard (ExpressCard|34 or ExpressCard|54); (2)Compliant with the ExpressCard Compliance Checklists; (3)Fully Satisfies the ExpressCard Implementation Guidelines; (4)Supports Systems with WAKE Function; (5)TTL-Logic Compatible Inputs; (6)Short Circuit and Thermal Protection; (7)– 40 to 85℃ Ambient Operating Temperature Range; (8)Available in a 20-pin TSSOP, a 20-pin QFN, or 24-pin PowerPAD HTSSOP (Single); (9)Available in a 32-pin PowerPAD ? HTSSOP (Dual).
Diagrams

| Image | Part No | Mfg | Description | ![]() |
Pricing (USD) |
Quantity | ||||||||||
|---|---|---|---|---|---|---|---|---|---|---|---|---|---|---|---|---|
![]() |
![]() TPS2231 |
![]() Other |
![]() |
![]() Data Sheet |
![]() Negotiable |
|
||||||||||
![]() |
![]() TPS2231EVM |
![]() Texas Instruments |
![]() Power Management IC Development Tools TPS2231 Eval Mod |
![]() Data Sheet |
![]()
|
|
||||||||||
![]() |
![]() TPS2231MRGPR |
![]() Texas Instruments |
![]() Hot Swap & Power Distribution ExpressCard Sgl Pwr Interface Sw |
![]() Data Sheet |
![]()
|
|
||||||||||
![]() |
![]() TPS2231MRGPR-1 |
![]() Texas Instruments |
![]() Hot Swap & Power Distribution ExpressCard Sgl Pwr Interface Sw |
![]() Data Sheet |
![]()
|
|
||||||||||
![]() |
![]() TPS2231MRGPR-1G4 |
![]() Texas Instruments |
![]() Hot Swap & Power Distribution ExpressCard Sgl Pwr Interface Sw |
![]() Data Sheet |
![]()
|
|
||||||||||
![]() |
![]() TPS2231MRGPR-2 |
![]() Texas Instruments |
![]() Hot Swap & Power Distribution ExpressCard Sgl Pwr Interface Sw |
![]() Data Sheet |
![]() Negotiable |
|
||||||||||
![]() |
![]() TPS2231MRGPR-2G4 |
![]() Texas Instruments |
![]() Hot Swap & Power Distribution ExpressCard Sgl Pwr Interface Sw |
![]() Data Sheet |
![]()
|
|
||||||||||
![]() |
![]() TPS2231MRGPR-3 |
![]() Texas Instruments |
![]() Hot Swap & Power Distribution ExpressCard Sgl Pwr |
![]() Data Sheet |
![]()
|
|
||||||||||
(China (Mainland))










