Product Summary
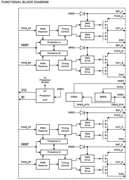
The TAS5122DCARG4 is a high-performance, integrated stereo digital amplifier power stage designed to drive 6-Ω speakers at up to 30 W per channel. The device incorporates TI’s PurePath Digital technology and is used with a digital audio PWM processor (TAS5122DCARG4) and a simple, passive demodulation filter to deliver high-quality, high-efficiency, true-digital audio amplification. The applications of the TAS5122DCARG4 are DVD Receiver, Home Theatre, Mini/Micro Component Systems and Internet Music Appliance.
Parametrics
TAS5122DCARG4 absolute maximum ratings: (1)DVDD to DGND: –0.3 V to 4.2 V; (2)GVDD to GND: 28 V; (3)PVDD_X to GND (dc voltage): 28 V; (4)OUT_X to GND (dc voltage): 28 V; (5)BST_X to GND (dc voltage): 40 V; (6)GREG to GND: 14.2 V; (7)PWM_XP, RESET, M1, M2, M3, SD, OTW: –0.3 V to DVDD + 0.3 V; (8)Maximum operating junction temperature, TJ: –40 to 150℃; (9)Storage temperature: –40 to 12℃.
Features
TAS5122DCARG4 features: (1)2 × 30 W (BTL) Into 6 Ω at 1 kHz; (2)95-dB Dynamic Range (in System With TAS5026); (3)< 0.2% THD+N (in System – 30 W RMS Into 6-Ω Resistive Load); (4)Device Power Efficiency Typical >90% Into 6-Ω Load; (5)Self-Protection Design (Including Undervoltage, Overtemperature, and Short Conditions) With Error Reports; (6)Internal Gate Drive Supply Voltage Regulator; (7)EMI Compliant When Used With Recommended System Design.
Diagrams

| Image | Part No | Mfg | Description | ![]() |
Pricing (USD) |
Quantity | ||||||||||||
|---|---|---|---|---|---|---|---|---|---|---|---|---|---|---|---|---|---|---|
![]() |
![]() TAS5122DCARG4 |
![]() Texas Instruments |
![]() Audio Amplifiers TAS5122: Digital Amp Power Stage |
![]() Data Sheet |
![]()
|
|
||||||||||||
| Image | Part No | Mfg | Description | ![]() |
Pricing (USD) |
Quantity | ||||||||||||
![]() |
![]() TAS5000 |
![]() Other |
![]() |
![]() Data Sheet |
![]() Negotiable |
|
||||||||||||
![]() |
![]() TAS5000PFB |
![]() Texas Instruments |
![]() Audio DSPs Dig Aud PWM Proc |
![]() Data Sheet |
![]()
|
|
||||||||||||
![]() |
![]() TAS5000PFBG4 |
![]() Texas Instruments |
![]() Audio DSPs Dig Aud PWM Proc |
![]() Data Sheet |
![]()
|
|
||||||||||||
![]() |
![]() TAS5001 |
![]() Other |
![]() |
![]() Data Sheet |
![]() Negotiable |
|
||||||||||||
![]() |
![]() TAS5001-5122C2EVM |
![]() Texas Instruments |
![]() Audio IC Development Tools TAS5001-5122C2 Eval Mod |
![]() Data Sheet |
![]() Negotiable |
|
||||||||||||
![]() |
![]() TAS5001IPFB |
![]() Texas Instruments |
![]() Audio DSPs Digital Audio PWM Processor |
![]() Data Sheet |
![]() Negotiable |
|
||||||||||||
(China (Mainland))










