Product Summary
The S29GL256P10TFI010 is a Mirrorbit Flash product fabricated on 90 nm process technology. The S29GL256P10TFI010 offers a fast page access time of 25 ns with a corresponding random access time as fast as 90 ns. The S29GL256P10TFI010 features a Write Buffer that allows a maximum of 32 words/64 bytes to be programmed in one operation, resulting in faster effective programming time than standard programming algorithms. This makes the S29GL256P10TFI010 ideal for today’s embedded applications that require higher density, better performance and lower power consumption.
Parametrics
S29GL256P10TFI010 absolute maximum ratings: (1)Storage Temperature, Plastic Packages: –65℃ to +150℃; (2)Ambient Temperature with Power Applied: –65℃ to +125℃; (3)Voltage with Respect to Ground All Inputs and I/Os except as noted below: –0.5 V to VCC + 0.5 V; (4)Voltage with Respect to Ground VCC: –0.5 V to +4.0 V; (5)Voltage with Respect to Ground VIO: –0.5 V to +4.0 V; (6)Voltage with Respect to Ground A9 and ACC: –0.5 V to +12.5 V; (7)Output Short Circuit Current: 200 mA.
Features
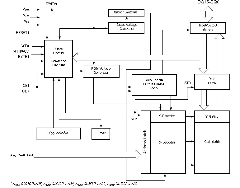
S29GL256P10TFI010 features : (1)Single 3V read/program/erase (2.7-3.6 V); (2)Enhanced VersatileI/O. control: All input levels (address, control, and DQ input levels) and outputs are determined by voltage on VIO input. VIO range is 1.65 to VCC; (3)90 nm MirrorBit process technology; (4)8-word/16-byte page read buffer; (5)32-word/64-byte write buffer reduces overall programming time for multiple-word updates; (6)Secured Silicon Sector region: 128-word/256-byte sector for permanent, secure identification through an 8-word/16-byte random Electronic Serial Number; Can be programmed and locked at the factory or by the customer; (7)Uniform 64Kword/128KByte Sector Architecture: S29GL01GP: One thousand twenty-four sectors; S29GL512P: Five hundred twelve sectors; S29GL256P: Two hundred fifty-six sectors; S29GL128P: One hundred twenty-eight sectors; (8)100,000 erase cycles per sector typical; (9)20-year data retention typical; (10)Offered Packages: 56-pin TSOP; 64-ball Fortified BGA; (11)Suspend and Resume commands for Program and Erase operations; (12)Write operation status bits indicate program and erase operation completion; (13)Unlock Bypass Program command to reduce programming time; (14)Support for CFI (Common Flash Interface); (15)Persistent and Password methods of Advanced Sector Protection; (16)WP#/ACC input: Accelerates progrS29GL256P10TFI010amming time (when VHH is applied) for greater throughput during system production; (17)Protects first or last sector regardless of sector protection settings; (18)Hardware reset input (RESET#) resets device; (19)Ready/Busy# output (RY/BY#) detects program or erase cycle completion.
Diagrams

| Image | Part No | Mfg | Description | ![]() |
Pricing (USD) |
Quantity | ||||||||||||
|---|---|---|---|---|---|---|---|---|---|---|---|---|---|---|---|---|---|---|
![]() |
![]() S29GL256P10TFI010 |
![]() Spansion |
![]() Flash 3V 256Mb Mirrorbit highest address100ns |
![]() Data Sheet |
![]()
|
|
||||||||||||
| Image | Part No | Mfg | Description | ![]() |
Pricing (USD) |
Quantity | ||||||||||||
![]() |
![]() S29GL016A |
![]() Other |
![]() |
![]() Data Sheet |
![]() Negotiable |
|
||||||||||||
![]() |
![]() S29GL01GP |
![]() Other |
![]() |
![]() Data Sheet |
![]() Negotiable |
|
||||||||||||
![]() |
![]() S29GL01GP11FAIR10 |
![]() Spansion |
![]() Flash IC 1GIG 3.0V FLSHMEM |
![]() Data Sheet |
![]()
|
|
||||||||||||
![]() |
![]() S29GL01GP11FAIR20 |
![]() Spansion |
![]() Flash 1GB 3.0-3.6V 110ns |
![]() Data Sheet |
![]()
|
|
||||||||||||
![]() |
![]() S29GL01GP11FFCR10 |
![]() Spansion |
![]() Flash 1GB 3.0-3.6V 110ns PBF |
![]() Data Sheet |
![]()
|
|
||||||||||||
![]() |
![]() S29GL01GP11FFCR20 |
![]() Spansion |
![]() Flash 1GB 3.0-3.6V 110ns PBF |
![]() Data Sheet |
![]()
|
|
||||||||||||
(China (Mainland))










