Product Summary
The S202SE2 is a SIP Type SSR for Medium Power Control. The applications are Copiers and Laser beam printers.
Parametrics
S202SE2 absolute maximum ratings: (1)Input, Forward current, IF: 50 mA; (2)Reverse voltage, VR: 6V; (3)Isolation voltage Viso: 3,000 V rms; (4)Operating temperature T opr: - 25 to + 100℃; (5)Storage temperature T stg: - 30 to + 125℃; (6)Soldering temperature Tsol: 260℃.
Features
S202SE2 features: (1) Comforms to European Safety Standard; (2)RMS ON-state current; (3)Isolation voltage between input and output; (4)Recognized by UL, No. E94758; (5)Approved by TUV, No. R9051479.
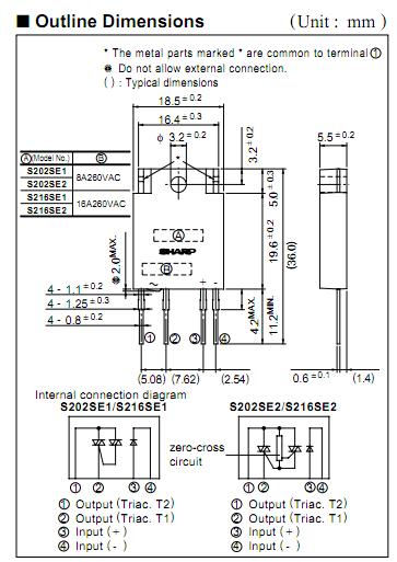
Diagrams

| Image | Part No | Mfg | Description | ![]() |
Pricing (USD) |
Quantity | ||||
|---|---|---|---|---|---|---|---|---|---|---|
![]() |
![]() S202SE2 |
![]() |
![]() RELAY SSR 240VAC 8A ZC 4-SIP |
![]() Data Sheet |
![]() Negotiable |
|
||||
![]() |
![]() S202SE2F |
![]() Sharp Microelectronics |
![]() Solid State Relays 4-SIP ZERO-C 8mA |
![]() Data Sheet |
![]() Negotiable |
|
||||
(China (Mainland))










