Product Summary
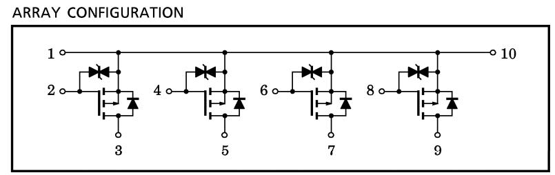
The MP4208 is a power MOS FET module. The applications are high power high speed swithcing applications and hammer drive, pulse motor drive and inductive load switching.
Parametrics
MP4208 absolute maximum ratings: (1)drain sorce voltage, VDSS: -60V; (2)gate-source voltage, VGSS: ±20V; (3)drain current, ID: -5A; (4)peak drain current, IDP: -10A; (5)drain power dissipation, PD: 2.0W; (6)drain power dissipation, PDT: 4.0W; (7)channel temeprature, Tch: 150℃; (8)storage temperature range, Tstg: -55 to 150℃.
Features
MP4208 features: (1)-4Volt gate drive avaiable; (2)small package by full molding; (3)high drain power dissipation: PT=4W; (4)low drain-source on resistance: RDS(ON)=0.2Ω typ; (5)low leakage curent; (6)enhancement mode.
Diagrams

![]() |
![]() MP42001 |
![]() Other |
![]() |
![]() Data Sheet |
![]() Negotiable |
|
||||
![]() |
![]() MP4201 |
![]() Other |
![]() |
![]() Data Sheet |
![]() Negotiable |
|
||||
![]() |
![]() MP4212(Q) |
![]() |
![]() MOSFET MOD N/P-CH 60V 5A 10-SIP |
![]() Data Sheet |
![]() Negotiable |
|
||||
![]() |
![]() MP4209(Q) |
![]() |
![]() MOSFET MOD N-CH 100V 3A 10-SIP |
![]() Data Sheet |
![]() Negotiable |
|
||||
(China (Mainland))








