Product Summary
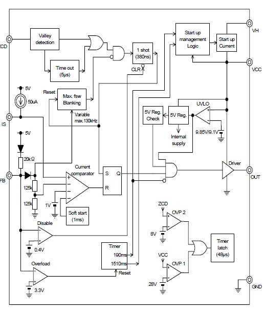
The FA5538N-A2 is a current-mode switching power control IC that can directly drive power MOSFETs. Low-power dissipation is achieved due to adoption of high break-down voltage CMOS process. In addition, stand-by power consumption can substantially be reduced due to a built-in start-up circuit. Many functions of the FA5538N-A2 are incorporated in an eight pin package, reducing the number of external parts and allowing compact and high cost performance power supply
Parametrics
FA5538N-A2 absolute maximum ratings: (1)Input Range: 80Vac to 264Vac; (2)Output Rating: 95W ( 19V / 5A ).
Features
FA5538N-A2 features: (1)Internal start-up circuit with 500V rating and low frequency operation achieves 140mW input at no load; (2)Small Output Capacitance: Linearly reduced frequency for lighter load causes small ripple voltage; (3)Suitable for Low Noise and High Efficiency about 90%; (4)Vcc rating 28V allows no series regulator for auxiliary winding to clamp Vcc voltage for FA5531/32; (5)1ms Fixed Soft Start time; (6)Timer Latched Over-Voltage Protection of 16V/28V Vcc; (7)8 pins package ( DIP/SO ).
Diagrams

![]() |
![]() FA5502M |
![]() Other |
![]() |
![]() Data Sheet |
![]() Negotiable |
|
||||
![]() |
![]() FA5502P |
![]() Other |
![]() |
![]() Data Sheet |
![]() Negotiable |
|
||||
(China (Mainland))








