Product Summary
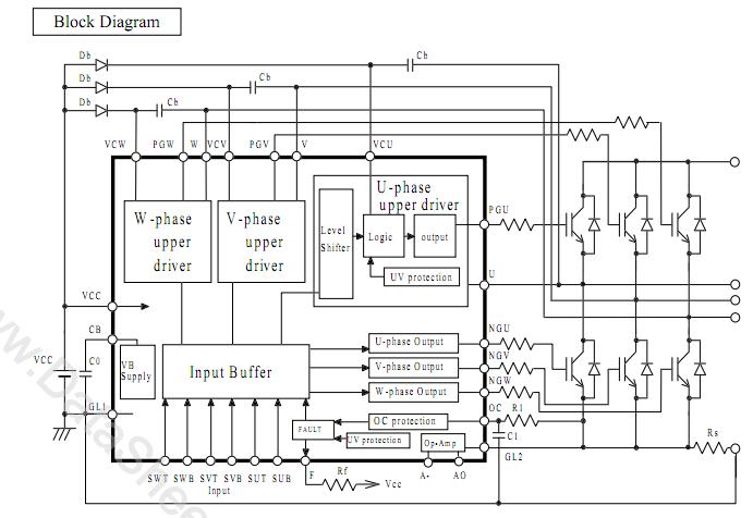
The ECN3053F is a single chip driver IC which has 6 MOS-Gated devices for its output. It is suitable for controlling 3-phase DC brushless motors and 3-phase induction motors.
Parametrics
ECN3053F absolute maximum ratings: (1)Output Device Breakdown voltage, Vbv: 620V; (2)GL2 terminal voltage, Vgl2: -5~Vcc; (3)U,V,W terminal Voltage, Vu,v,w: -5~600V; (4)Supply voltage, Vcc: 20V; (5)Input voltage, Vin: -0.5~Vcc+0.5V; (6)Operating Junction Temperature, Tjop: -20~125℃; (7)Storage Temperature, Tstg: -40~150℃.
Features
ECN3053F features: (1)It can be controlled by PWM with 6 inputs from an external microprocessor; (2)6 logic inputs are compatible with 5V CMOS and LSTTL outputs.
Diagrams

| Image | Part No | Mfg | Description | ![]() |
Pricing (USD) |
Quantity | ||||
|---|---|---|---|---|---|---|---|---|---|---|
![]() |
![]() ECN3053F |
![]() Other |
![]() |
![]() Data Sheet |
![]() Negotiable |
|
||||
| Image | Part No | Mfg | Description | ![]() |
Pricing (USD) |
Quantity | ||||
![]() |
![]() ECN3022 |
![]() Other |
![]() |
![]() Data Sheet |
![]() Negotiable |
|
||||
![]() |
![]() ECN3035F |
![]() Other |
![]() |
![]() Data Sheet |
![]() Negotiable |
|
||||
![]() |
![]() ECN3036F |
![]() Other |
![]() |
![]() Data Sheet |
![]() Negotiable |
|
||||
![]() |
![]() ECN3053F |
![]() Other |
![]() |
![]() Data Sheet |
![]() Negotiable |
|
||||
(China (Mainland))









