Product Summary
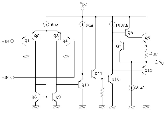
The A358F is a dual operational amplifier.
Parametrics
A358F absolute maximum ratings: (1)Supply voltage VCC: 36, 18V, VEE: 0, -18V; (2)Differential input voltage DVIN: ±36V; (3)Input voltage VIN: -0.3 to 36V; (4)Power dissipation PD: 280mW; (5)Operating temperature Topr: -40 to 85℃; (6)Storage temperature Tstg: -55 to 125℃.
Features
A358F features: (1)In the linear mode the input common mode voltage range includes ground; (2)Two internally compensated OP Amps are in single package; (3)Low power dissipation and power drain suitable for battery operation; (4)Differential input voltage range equal to the power supply voltage; (5)Wide power supply voltage range and signal power supply: single supply: 3Vdc to 36Vdc, dual supplies: ±1.5Vdc to ±18Vdc; (6)Large output voltage swing: 0Vdc to Vcc-1.5Vdc; (7)Low input biasing current: Ii=45nAdc(typ).
Diagrams

![]() |
![]() A358 |
![]() Other |
![]() |
![]() Data Sheet |
![]() Negotiable |
|
||||||||
![]() |
![]() A358S10TDF |
![]() Infineon Technologies |
![]() Rectifiers 358A 1000V |
![]() Data Sheet |
![]()
|
|
||||||||
![]() |
![]() A358S12TBF |
![]() Infineon Technologies |
![]() SCR Modules 1.2KV 5.6KA |
![]() Data Sheet |
![]()
|
|
||||||||
(China (Mainland))








