Product Summary
ML101J21 is a high-power, high-efficient AlGaInP semiconductor laser which provides a stable, single transverse mode oscillation with emission wavelength of 658nm and standard pulse light output of 160mW. ML101J21 has a real-index-waveguide which improves the slope efficiency (reduction of the operating current) and the astigmatic distance. Also, ML101J21 has a window-mirror-facet which improves the maximum output power. That leads to highly reliable and high-power operation.
Parametrics
ML101J21 absolute maximum ratings: (1)Po Light output power: CW 80; Pulse(Note 2) 160 mW; (2)VRL Reverse voltage: 2V; (3)Tc Case temperature: -10 ~ +75℃; (4)Tstg Storage temperature: -40 ~ +100℃.
Features
ML101J21 features: (1)High Output Power: 160mW (Pulse); (2)High Efficiency: 0.95 W/A (typ.); (3)Visible Light: 658nm (typ.); (4)Low Aspect Ratio: 1.8 (typ.); (5)Low Astigmatic Distance: 1mm (typ.).
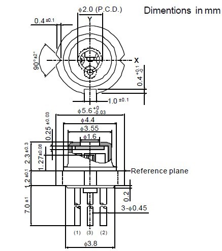
Diagrams

| Image | Part No | Mfg | Description | ![]() |
Pricing (USD) |
Quantity | ||||||||||
|---|---|---|---|---|---|---|---|---|---|---|---|---|---|---|---|---|
![]() |
![]() ML101J21 |
![]() Other |
![]() |
![]() Data Sheet |
![]() Negotiable |
|
||||||||||
| Image | Part No | Mfg | Description | ![]() |
Pricing (USD) |
Quantity | ||||||||||
![]() |
![]() ML100 |
![]() |
![]() MICRO TORCH MAGNA-LITE BUTANE |
![]() Data Sheet |
![]()
|
|
||||||||||
![]() |
![]() ML100BS2PG |
![]() Honeywell |
![]() Industrial Pressure / Force Sensors SST PRESS TRANSDUCER |
![]() Data Sheet |
![]()
|
|
||||||||||
![]() |
![]() ML100PS1PC |
![]() Honeywell |
![]() Industrial Pressure / Force Sensors 0 psi to 100 psi 1/8 NPT 4V P |
![]() Data Sheet |
![]()
|
|
||||||||||
![]() |
![]() ML100PS1PG |
![]() Honeywell |
![]() Industrial Pressure / Force Sensors SST Pressure Transducers |
![]() Data Sheet |
![]()
|
|
||||||||||
![]() |
![]() ML100PS2PC |
![]() Honeywell |
![]() Industrial Pressure / Force Sensors SST PRESS TRANSDUCER |
![]() Data Sheet |
![]()
|
|
||||||||||
![]() |
![]() ML100PS2PG |
![]() Honeywell |
![]() Industrial Pressure / Force Sensors SST PRESS TRANSDUCER |
![]() Data Sheet |
![]()
|
|
||||||||||
(China (Mainland))










