Product Summary
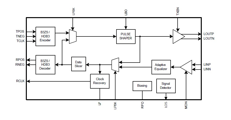
The 78P2241B-IGT is a transceiver. The 78P2241B-IGT is a line interface transceiver IC for E3, DS3, STS-1, NA T3 and ATM applications. It includes clock recovery and transmitter pulse shaping functions for applications using 75-ohm coaxial cable at distances up to 1100 feet. The applications of the 78P2241B-IGT include DSLAMs, T3/E3 digital multiplexers, SONET Add/Drop multiplexers, PDH equipment, DS3 to Fiber optic and microwave modems and ATM WAN access for routers and switches.
Parametrics
78P2241B-IGT absolute maximum ratings: (1)Positive supply, VCC: 6V; (2)Storage temperature: -65 to 150℃; (3)Ambient operating temperature: -40 to +85℃; (4)Output Pin Voltage (LOUT+, LOUT-), Input Pin Voltage (LIN+, LIN-): VCC -2 to VCC +2 V; (5)Input pin voltage, all other pins: VCC+0.3 to GND-0.3 V.
Features
78P2241B-IGT features: (1)Single chip transmit and receive interface for E3, DS3 and STS-1 applications; (2)Interface to 75 ohm coaxial cable over 1100 feet at speeds up to 51.84 Mbps; (3)Compliant with ANSI T1.102-1993, Telcordia GR-499-CORE and GR-253-CORE, ITU-T G.703 and G.823 for jitter tolerance; (4)Compliant with ATM FORUM af-phy-0034 (E3 public UNI) and af-phy-0054 (DS3 public UNI); (5)Easily Interfaced to ATM framer IC.
Diagrams

![]() |
![]() 78P2241 |
![]() Other |
![]() |
![]() Data Sheet |
![]() Negotiable |
|
||||||||||||
![]() |
![]() 78P2243 |
![]() Other |
![]() |
![]() Data Sheet |
![]() Negotiable |
|
||||||||||||
![]() |
![]() 78P2253 |
![]() Other |
![]() |
![]() Data Sheet |
![]() Negotiable |
|
||||||||||||
![]() |
![]() 78P2342-IGTR |
![]() Maxim Integrated Products |
![]() Interface - Specialized Dual Channel ES3/E3/STS-1 LIU |
![]() Data Sheet |
![]() Negotiable |
|
||||||||||||
![]() |
![]() 78P2342JAT-IGT/F |
![]() Maxim Integrated Products |
![]() Interface - Specialized Dual Channel ES3/E3/STS-1LIUw/JAT |
![]() Data Sheet |
![]()
|
|
||||||||||||
![]() |
![]() 78P2342JAT-IGTR/F |
![]() Maxim Integrated Products |
![]() Interface - Specialized DUAL CHANNEL ES3/E3/STS-1LIUw/JAT |
![]() Data Sheet |
![]() Negotiable |
|
||||||||||||
(China (Mainland))









