Product Summary
The 1611RL-04W-B86 is a DC Axial Fan.
Parametrics
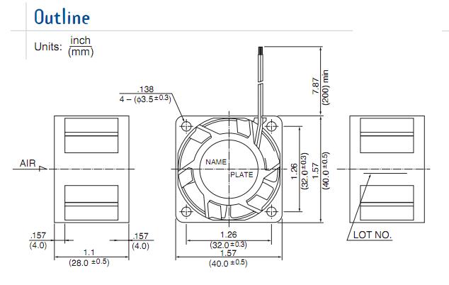
1611RL-04W-B86 absolute maximum ratings: (1)rated voltage: 12V; (2)operating voltage: 7.0 to 13.2V; (3)current: 0.27A; (4)input power: 3.24W; (5)speed: 13000min-1; (6)noise: 49.5dB; (7)mass: 48g.
Features
1611RL-04W-B86 features: (1)Motor Protection: Auto Restart/Polarity Protection; (2)Insulation Resistance: 10MΩ or over with a DC500V Megger; (3)Dielectric Withstand Voltage: AC 700V 1s; (4)Allowable Ambient Temperature Range: -10 ~ +70℃ (Operating); -40 ~ +70℃ (Storage) (non-condensing environment).
Diagrams

![]() |
![]() 1611 |
![]() Heyco |
![]() Cable Mounting & Accessories SR 7P-7 |
![]() Data Sheet |
![]()
|
|
||||||||||||||||||
![]() |
![]() 16110 |
![]() Other |
![]() |
![]() Data Sheet |
![]() Negotiable |
|
||||||||||||||||||
![]() |
![]() 1611001-3 |
![]() |
![]() RELAY CONTACTOR SPST 30A 24V |
![]() Data Sheet |
![]()
|
|
||||||||||||||||||
![]() |
![]() 1611004-6 |
![]() |
![]() RELAY CONTACTOR DPST 30A 24V |
![]() Data Sheet |
![]()
|
|
||||||||||||||||||
![]() |
![]() 1611075 |
![]() Phoenix Contact |
![]() Circular Metric Connectors RC-12SDN8A80B7 |
![]() Data Sheet |
![]()
|
|
||||||||||||||||||
![]() |
![]() 1611-12S |
![]() Techspray |
![]() Chemicals ELINE HD DEGREASER 12 oz AEROSOL |
![]() Data Sheet |
![]() Negotiable |
|
||||||||||||||||||
(China (Mainland))










