Product Summary
The FS-V11 is a Hybrid Fiberoptic Sensor.
Parametrics
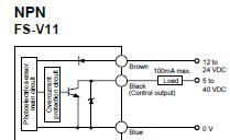
FS-V11 absolute maximum ratings: (1)Weight: Approx. 80 g; (2)Response time: 250 μs (FINE)/500 μs (TURBO)/1 ms (SUPER); (3)Timer function: OFF-delay: 40 ms, 10 ms, Timer OFF (switch selectable); (4)Control output: NPN or PNP open-collector 100 mA max. (40 V max.), Residual voltage: 1 V max.; (5)Power supply voltage: 12 to 24 VDC ±10%, Ripple (P-P) 10% max.; (6)Current consumption: 50 mA max.; (7)Ambient illumination: Candescent lamp: 10,000 lx max., Sunlight: 20,000 lx max; (8)Ambient temperature: -10 to +55℃; (9)Relative humidity: 35 to 85%; (10)Vibration: 10 to 55 Hz, 1.5 mm double amplitude in X, Y and Z directions for two hours; (11)Shock immunity: 500 m/s2 in X, Y and Z directions, three times each.
Features
FS-V11 features: (1)Light source: Red LED; (2)Operation mode: LIGHT-ON/DARK-ON (switch-selectable); (3)Indicators: Output indicator: Red LED, Digital LED monitor: Red LED, Bar graph LED monitor: Green/Orange LED, Calibration indicator: Orange LED; (4)Protection circuit: Reverse polarity protection, Over-current protection, Surge absorber; (5)Housing material: Body/Cover: Polycarbonate.
Diagrams

(China (Mainland))




