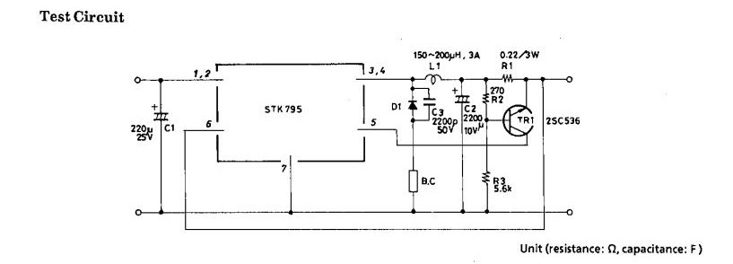
Product Summary
The STK795-120B is a chopper type voltage regulator. The STK795-120B provides a 5V output power supply circuit with high efficiency.
Parametrics
STK795-120B absolute maximum ratings: (1)maximum DC input voltage: 40V; (2)maximum output current: 3A; (3)operating case temperature: 105℃; (4)junction temperature: 150℃; (5)storage temperature: -30℃ to +105℃.
Features
STK795-120B features: (1)self-oscillation type chopper regulator power IC using sanyo’ original IMST substrate; (2)since the input voltage range is wide, no more than one rectifying/smoothing circuit is required to provide a multi-output power supply circuit which also delivers 12V or 24V output; (3)functional trimming is used to set 5V output with high accuracy; (4)cutoff function to cut off output voltage by external signal; (5)contains a transistor for overcurrent protector(foldback characteristic) and possible to set the protection level externally.
Diagrams

(China (Mainland))






