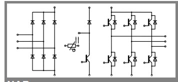
Product Summary
The SKiiP22NAC12T10 is a 3-phase bridge inverter. Typical Applications of the SKiiP22NAC12T10 are inverter up to 10 kVA, typical motor power 5,5 kW.
Parametrics
SKiiP22NAC12T10 absolute maximum ratings: (1)VCES: 1200 V; (2)Ic Ts = 25 (70) ℃: 28 (22) A; (3)ICRM Ts = 25 (70) ℃, tp < 1 ms: 56 (44) A; (4)VGES: ±20 V; (5)Tj: -40 to + 150 ℃.
Features
SKiiP22NAC12T10 features: (1)Fast Trench IGBTs; (2)Robust and soft freewheeling diodes in CAL technology; (3)Highly reliable spring contacts for electrical connections; (4)UL recognised file no. E63532.
Diagrams

(China (Mainland))






