Product Summary
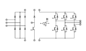
The SKIIP31NAC12T42 is a 3-phase bridge rectifier, braking chopper and 3-phase bridge inverter. Application areas of the SKIIP31NAC12T42 include Driving of IGBTs.
Parametrics
SKIIP31NAC12T42 absolute maximum ratings: (1)VCES: 1200 V; (2)VGES: ±20 V; (3)IC Theatsink - 25 / 80 C: 45/30 A; (4)ICM tp < 1 ms; Theatsink - 25 / 80℃: 90/60 A; (5)IF Theatsink - 25 / 80℃: 38/26 A; (6)IFM - _ICM tp < 1 ms; Theatsink - 25/80 ℃: 76/52 A; (7)VRRM: 1500 V; (8)ID Theatsink - 80℃: 35 A; (9)IFSM tp - 10 ms; sin. 180 °, Tj - 25 ℃: 700 A; (10)I2t tp - 10 ms; sin. 180 °, Tj - 25 ℃: 2400 A2s; (11)Tj: -40 to +150℃; (12)Tstg: -40 to +125 ℃; (13)Visol AC, 1 min.: 2500 V.
Features
SKIIP31NAC12T42 features: (1)Interlock of TOP and BOTTOM switches in each half-bridge; (2)Short pulse suppression; (3)Supply undervoltage protection; (4)Generation of the system clock; (5)Integrated DC/DC-converter driver circuit; (6)Error monitoring.
Diagrams

(China (Mainland))






