Product Summary
The PM300CSA0605 is an intelligent power module. The applications of the PM300CSA0605 include General purpose inverter, servo drives and other motor controls.
Parametrics
PM300CSA0605 absolute maximum ratings: (1)Collector-Emitter Voltage, VCES: 600V; (2)Collector Current, ±IC: 300A; (3)Collector Current (Peak), ±ICP: 600A; (4)Collector Dissipation, PC: 781W; (5)Junction Temperature, Tj: -20 to 150℃.
Features
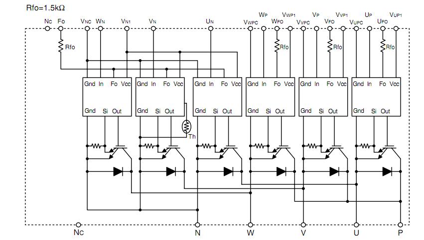
PM300CSA0605 features: (1)Adopting new 4th generation planar IGBT chip, which performance is improved by 1μm fine rule process. For example, typical VCE(sat)=1.7V; (2)Using new Diode which is designed to get soft reverse recovery characteristics.; (3)3φ 300A, 600V Current-sense IGBT for 15kHz switching; (4)Monolithic gate drive & protection logic; (5)Detection, protection & status indication circuits for over-; (6)current, short-circuit, over-temperature & under-voltage (P-Fo available from upper leg devices); (7)Acoustic noise-less 30kW class inverter application; (8)UL Recognized Yellow Card No.E80276(N) File No.E80271.
Diagrams

(China (Mainland))






