Product Summary
The MIG50Q201H is a silicon N Channel IGBT.
Parametrics
MIG50Q201H absolute maximum ratings: (1)Supply voltage: 900 V at P-N power terminal; (2)Collector.emitter voltage: 1200 V; (3)Collector current: 50 A at Tc = 25℃, DC; (4)Forward current: 50 A at Tc = 25℃, DC; (5)Collector power dissipation: 300 W at Tc = 25 ℃; (6)Junction temperature: 150 ℃.
Features
MIG50Q201H features: (1)Integrates inverter, brake power circuits & control circuits (IGBT drive units, protection units for over.current, realtime-current-control (RTC), under.voltage & over-temperature) in one package; (2)The electrodes are isolated from case; (3)High speed type IGBT : VCE (sat) = 3.5 V (Max.), toff = 2.6 μs (Max.), trr = 0.21 μs (Max.); (4)Outline : 2-110A1A; (5)Weight : 520 g.
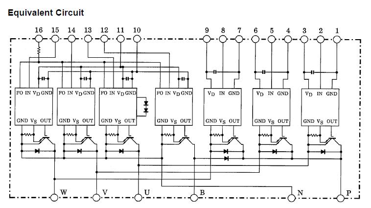
Diagrams

| Image | Part No | Mfg | Description | ![]() |
Pricing (USD) |
Quantity | ||||
|---|---|---|---|---|---|---|---|---|---|---|
![]() |
![]() MIG50Q201H |
![]() Other |
![]() |
![]() Data Sheet |
![]() Negotiable |
|
||||
| Image | Part No | Mfg | Description | ![]() |
Pricing (USD) |
Quantity | ||||
![]() |
![]() MIG50J101H |
![]() Other |
![]() |
![]() Data Sheet |
![]() Negotiable |
|
||||
![]() |
![]() MIG50J201H |
![]() Other |
![]() |
![]() Data Sheet |
![]() Negotiable |
|
||||
![]() |
![]() MIG50J201HC |
![]() Other |
![]() |
![]() Data Sheet |
![]() Negotiable |
|
||||
![]() |
![]() MIG50J6CSB1W |
![]() Other |
![]() |
![]() Data Sheet |
![]() Negotiable |
|
||||
![]() |
![]() MIG50J7CSB1W |
![]() Other |
![]() |
![]() Data Sheet |
![]() Negotiable |
|
||||
![]() |
![]() MIG50J806H |
![]() Other |
![]() |
![]() Data Sheet |
![]() Negotiable |
|
||||
(China (Mainland))









