Product Summary
The MIG150Q101H is an N channel IGBT.
Parametrics
MIG150Q101H absolute maximum ratings: (1)Supply voltage, VCC: 900V; (2)Collector-emitter voltage, VCES: 1200V; (3)Collector current, IC: 150A; (4)Forward current, IF: 150A; (5)Collector power dissipation, PC: 1200W; (6)Junction temperature, Tj: 150℃; (7)Control supply voltage, VD: 20V; (8)Input voltage, VIN: 20V.
Features
MIG150Q101H features: (1)Integrates inverter power circuits & control circuits (IGBT drive units, protection units for over-current, under-voltage & over-temperature) in one package; (2)The electrodes are isolated from case; (3)High speed type IGBT: VCE=3.5V; toff=3.8μs, TRR=0.24μs; (4)Outline: TOSHIBA 2-121A1A; (5)Weight: 510g.
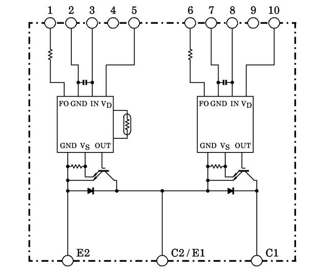
Diagrams

(China (Mainland))






