Product Summary
The MG25J6ES40 is an IGBT module. The applications of it are high power switching and motor control.
Parametrics
MG25J2YS40 absolute maximum ratings: (1)collector-emitter voltage: 600V; (2)gate-emitter voltage: ±20V; (3)collector current: IC: 25A, ICP: 50A; (4)forward current: IF: 25A, IFM: 50A; (5)collector power dissipation: 100W; (6)junction temperature: 150℃; (7)storage temperature range: -40 to +125℃; (8)isolation voltage: 2500V(AC,1min.); (9)screw torque: 3N.m.
Features
MG25J2YS40 features: (1)The electrodes are isolated from case; (2)6 IGBTs are built into 1 package; (3)enhancement-mode; (4)low saturation voltage: VCE(sat)=3.5V(max.)(IC=25A); (5)high speed:tf=0.35us(max.)(IC=25A), trr=0.15us(max.)(IF=25A).
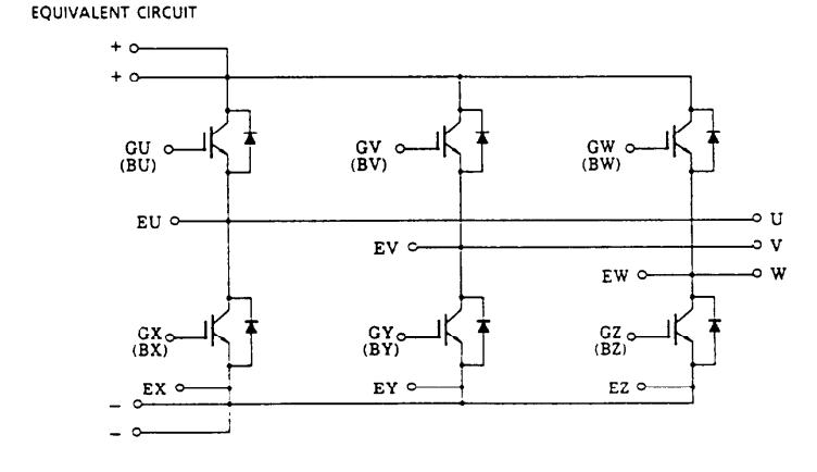
Diagrams

(China (Mainland))






