Product Summary
The FF300R06KE3 is an IGBT-Module.
Parametrics
FF300R06KE3 absolute maximum ratings: (1)collector-emitter voltage, VCES: 600V; (2)DC-collecotr current, IC nom: 300A; IC: 400A; (3)repetitive peak collector current, ICRM: 600A; (4)total power dissipation, Ptot: 940W; (5)gate-emitter peak voltage, VGES: +/-20V.
Features
FF300R06KE3 features: (1)repetitive peak reverse voltage, VRRM: 600V; (2)DC forward current, IF: 300A; (3)repetitive peak forward current, IFRM: 600A; (4)I2t value, I2t: 8400A2s.
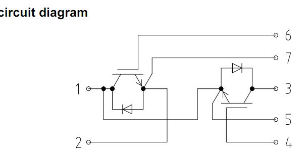
Diagrams

| Image | Part No | Mfg | Description |  | Pricing (USD) | Quantity | ||||||||
|---|---|---|---|---|---|---|---|---|---|---|---|---|---|---|
|  |  FF300R06KE3 |  Infineon Technologies |  IGBT Modules N-CH 600V 400A |  Data Sheet |  
 |  | ||||||||
|  |  FF300R06KE3_B2 |  Infineon Technologies |  IGBT Modules IGBT 600V 300A |  Data Sheet |  
 |  | ||||||||
 (China (Mainland))
 (China (Mainland)) 
                         
                        
 
                                    




