Product Summary
The CM800E3UA-24F is a 2nd-Version HVIGBT Module. The applications of the CM800E3UA-24F include DC choppers, Dynamic braking choppers.
Parametrics
CM800E3UA-24F absolute maximum ratings: (1)Collector-Emitter Voltage, VCES: 3300 Volts; (2)Gate-Emitter Voltage, VGES: ±20 Volts; (3)Collector Current, IC: 800 Amperes; (4)Peak Collector Current, ICP: 1600 Amperes; (5)Emitter Current, IE: 800 Amperes; (6)Peak Emitter Current, IEM: 1600 Amperes; (7)Maximum Collector Dissipation: 9600 Watts; (8)Junction Temperature: -40 to +150℃; (9)Storage Temperature: -40 to +125℃; (10)Isolation Voltage: 2500 Vrms.
Features
CM800E3UA-24F features: (1)IC: 800A; (2)VCES: 3300V; (3)Insulated Type; (4)1-elements in a pack (for brake); (5)AISiC base plate.
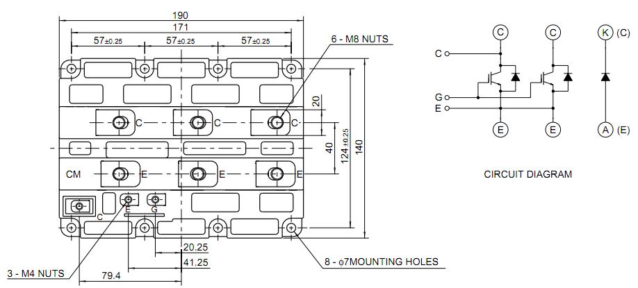
Diagrams

(China (Mainland))






