Product Summary
The CM40YE13-12H is an IGBT module. It is used in general purpose inverters & Servo controls, etc.
Parametrics
CM40YE13-12H absolute maximum ratings: (1)Collector-emitter voltage: 600 V; (2)Gate-emitter voltage: ±20V; (3)Collector current: 400A; (4)Emitter current: 400A; (5)Maximum collector dissipation: 960W; (6)Junction temperature: -40 to +150℃; (7)Storage temperature: -40 to +125℃; (8)Isolation voltage: 2500V.
Features
CM40YE13-12H features: (1)IC: 400A; (2)VCES: 600V; (3)Insulated Type; (4)2-elements in a pack.
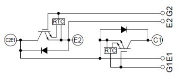
Diagrams

(China (Mainland))






