Product Summary
The CM400DY-12NFH is an IGBT module. Its applications include ac motor control, UPS, battery powered supplies.
Parametrics
CM400DY-12NFH absolute maximum ratings: (1)junction temperature: -40 to 150℃; (2)storage temperature: -40 to 125℃; (3)collector-emitter voltage: 600V; (4)gate-emitter voltage: ±20V; (5)collector current: 400A; (6)peak collector current: 800A; (7)emitter current: 400A.
Features
CM400DY-12NFH features: (1)Low drive power; (2)low VCE; (3)discrete super-fast recovery free-wheel diode; (4)isolated baseplate for easy heat sinking.
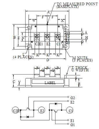
Diagrams

(China (Mainland))






