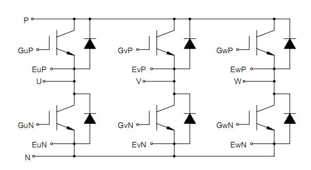
Product Summary
The CM20TF-24E is a medium power switching use insulated type module designed for use in switching applications. Each module consists of two IGBTs in a half-bridge configuration with each transistor having a reverse-connected super-fast recovery free-wheel diode. All components of the CM20TF-24E and interconnects are isolated from the heat sinking baseplate, offering simplified system assembly and thermal management. The applications of the CM20TF-24E include AC Motor Control, Motion/Servo Control, UPS, Welding Power Supplies.
Parametrics
CM20TF-24E absolute maximum ratings: (1)Junction Temperature Tj: -40 to 150℃; (2)Storage Temperature Tstg: -40 to 125 ℃; (3)Collector-Emitter Voltage (G-E SHORT) VCES: 1200 Volts; (4)Gate-Emitter Voltage (C-E SHORT) VGES: ±20 Volts; (5)Collector Current (TC = 25℃) IC: 20 Amperes; (6)Peak Collector Current ICM: 40 Amperes; (7)Emitter Current, (TC = 25℃) IE: 20 Amperes; (8)Peak Emitter Current, IEM: 40 Amperes; (9)Maximum Collector Dissipation (TC = 25℃) Pc: 250 Watts; (10)Mounting Torque, M5 Main Terminal: 1.47 ~ 1.96 N · m; (11)Mounting Torque, M6 Mounting: 1.96 ~ 2.94 N · m; (12)Weight: 260 Grams; (13)Isolation Voltage (Main Terminal to Baseplate, AC 1 min.) Viso: 2500 Vrms.
Features
CM20TF-24E features: (1)Low Drive Power; (2)Low VCE(sat); (3)Discrete Super-Fast Recovery Free-Wheel Diode; (4)High Frequency Operation; (5)Isolated Baseplate for Easy Heat Sinking.
Diagrams

(China (Mainland))






