Product Summary
The CM200E3Y-24E is a high power switching use insulated type module. The application of the CM200E3Y-24E includes Brake.
Parametrics
CM200E3Y-24E absolute maximum ratings: (1)Junction Temperature, Tj: -40 to 150℃; (2)Storage Temperature, Tstg: -40 to 125℃; (3)Collector-Emitter Voltage (G-E SHORT), VCES: 600 Volts; (4)Gate-Emitter Voltage (C-E SHORT), VGES: ±20 Volts; (5)Collector Current (Tc = 25℃), IC: 200 Amperes; (6)Peak Collector Current, ICM: 400 Amperes; (7)Emitter Current (Tc = 25℃) IE: 200Amperes; (8)Peak Emitter Current, IEM: 400 Amperes; (9)Maximum Collector Dissipation (Tc = 25℃, Tj=150℃), Pc: 650Watts; (10)Mounting Torque, M5 Main Terminal: 2.5 to 3.5 N·m; (11)Mounting Torque, M6 Mounting: 3.5 to 4.5 N·m; (12)Weight: 310 Grams; (13)Isolation Voltage (Main Terminal to Baseplate, AC 1 min.), Viso: 2500 Vrms.
Features
CM200E3Y-24E features: (1)Low Drive Power; (2)Low VCE(sat); (3)Discrete Super-Fast Recovery Free-Wheel Diode; (4)High Frequency Operation; (5)Isolated Baseplate for Easy Heat Sinking.
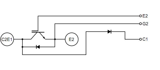
Diagrams

(China (Mainland))






